发布日期:2025-09-18 09:33:24 浏览次数:52
生产车间突然陷入停滞——一台老式升降平台在满载货物时卡在半空,维修人员耗时三小时才排除故障。类似场景在许多工厂频繁上演:设备老化、原理不清、选型不当,导致生产效率低下甚至安全隐患。液压升降机原理图背后隐藏的不仅是技术逻辑,更是企业降本增效的关键密码。本文将带您透过原理图洞察设备核心价值,精准匹配企业需求。

一、液压升降机原理图:读懂设备运行的“语言”
液压升降机原理图并非复杂的天书,而是用图形化语言描述动力传递路径的工程蓝图。其核心可概括为“液压力学驱动”:电机带动油泵产生高压油液,通过控制阀组输送至液压缸,推动活塞杆直线运动,最终实现平台的升降。

图1:液压升降机结构原理图
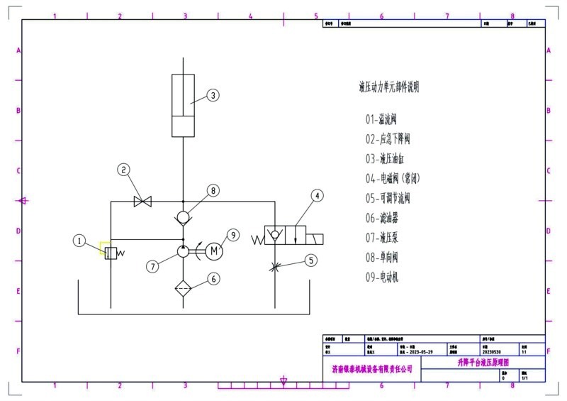
例如在济南银泰的导轨式升降机设计中,原理图明确标注了防爆阀、应急下降装置等安全结构,确保突发断电时平台可缓慢安全降落。理解液压升降机原理图的关键在于抓住三大模块:
1、动力单元(电机+油泵):能量转换起点;
2、执行单元(液压缸+活塞):直线动力输出;
3、控制单元(阀组+电路):精准调节速度与位置。

图2:液压升降机液压系统原理图
二、原理图如何指导实际选型?四大关键维度
采购决策者无需深究技术参数,但需通过原理图判断设备与企业需求的匹配度:
1、载重能力与结构关联
原理图中液压缸数量与分布直接决定承重极限。单缸结构适用于0.1-1吨轻型搬运,而多缸同步系统(如济南银泰200吨级货梯)通过并联油路实现重载平衡。
2、升降高度与油路设计
油管长度与缸体行程在原理图中清晰可见。高层度升降(如≥10米)需配备分级液压缸或同步分流阀,避免平台倾斜风险。
3、环境适配性优化
防爆车间需选用防静电油管与隔爆电机(原理图中标注EX标志),食品医药行业则需不锈钢材质与密封防污染设计。
4、能耗与效率平衡
变频控制油泵在原理图中体现为可变流量阀组,较传统恒功率系统节能30%以上。
三、超越原理图:银泰定制化方案解决行业痛点
许多企业曾陷入“照搬原理图却难以落地”的困境:某汽车配件厂采购标准设备后,发现井道尺寸与现有场地存在20cm偏差。这正是液压升降机原理图需与实地场景结合的原因——
济南银泰作为源头厂家,提供深度定制服务:
● 尺寸灵活适配:基于同一套液压升降机原理图,可调整导轨间距、平台形状(如L型、双门对开),甚至兼容非标井道;
● 功能模块扩展:在基础原理图上增加安全模块(如门机联锁传感器)、操作界面(触摸屏+远程监控);
-全系列载重覆盖:从0.1吨轻型物料搬运到200吨重型设备安装,均基于经过验证的液压原理开发。
四、实战指南:三步锁定适合企业的液压升降机
1、对标工况需求
记录日常搬运重量、升降高度、作业频率(连续/间歇),与原理图中的性能曲线比对;
2、验证安全冗余
要求供应商提供原理图中的安全设计细节(如济南银泰标配的液压锁+机械锁双保险);
3、评估长期成本
重点关注原理图中易损件(密封圈、滤芯)的更换便捷性,避免后期维护成本飙升。
结语:原理图是起点,而非终点
液压升降机原理图不仅是技术文档,更是企业智能化升级的路线图。当你真正读懂液压系统背后的逻辑,便会发现:降本增效的秘密,藏在一张张经过千次验证的设计蓝图中。选择与懂原理更懂场景的伙伴合作——正如济南银泰20年来的坚持——让技术图纸转化为实实在在的生产力提升。
本文地址:https://www.sjt16.com/gsdt/1690.html
发布日期:2025-09-18 09:33:24
更多【液压升降机】信息(液压升降机厂家价格直销,液压升降机维修电话)查看地址:https://www.sjt16.com/yysjj/
1111111111